TSB称重传感器
TSB称重传感器是一款悬臂梁式传感器,产品采用合金钢材质,表面化学镀镍处理,美观耐用,具有安装简便、快速,稳定可靠的特点。量程可选:150lb,250lb,应用于平台秤、搅拌站和配料秤等。
TSB称重传感器是一款悬臂梁式传感器,产品采用合金钢材质,表面化学镀镍处理,美观耐用,具有安装简便、快速,稳定可靠的特点。量程可选:150lb,250lb,应用于平台秤、搅拌站和配料秤等。
传力TSB称重传感器是一款悬臂梁式传感器,产品采用合金钢材质,表面化学镀镍处理,美观耐用,具有安装简便、快速,稳定可靠的特点。量程可选:150lb,250lb,应用于平台秤、搅拌站和配料秤等。
美国传力TSB悬臂梁式称重传感器产品特点:
悬臂梁式
采用合金钢材质
高精度,高稳定性
安装简便、快速
表层镀镍防腐处理
量程范围:150lb ,250lb
适用于皮带秤和配料秤等
传力TSB悬臂梁式称重传感器技术参数:

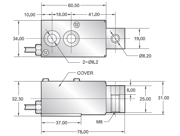
美国传力TSB悬臂梁式称重传感器产品尺寸:

美国传力TSB悬臂梁式称重传感器型号可选:
TSB-150lb 容量150lb,通孔,含压头
TSB-250lb 容量250lb,通孔,含压头